芯城品牌采购网 > 品牌资讯 > 技术方案

USB3.0接口保护ESD应用-芯城品牌采购网

USB3.0特点通用串行总线(USB)规范的3.0版本提供了比USB2.0在性能上的飞跃。将数据速率提高了10倍。它还将传输线扩展到3个差分对(与前2.0代中的1个相比)。USB于1996年推出1.0版。在低速度(LS)模式下1.5Mbit/sec,在全速度(FS)模式下12Mbit/秒。在2000年USB2.0进入市场。新的高速(HS)模式可达480Mbit/sec。它仍然向下兼容低速和全速模式

芯城品牌采购网

8907

MLX10803LED驱动器如何控制高亮度LED-芯城品牌采购网

本应用笔记介绍了MLX10803LED驱动器如何控制高亮度LED的方法。该文档还描述了也可以应用于其他应用的电路,只要它在MLX10803的类似规格(例如MLX10801)之内即可。EMR/EMC每种有功电流调节都会在调节后的输出上产生纹波,该纹波会产生电磁辐射(EMR)和与周围电子电路的电磁耦合(EMC)。MLX10803和本文档中描述的应用程序旨在最大程度地减少EMR。设计电路板和物理应用时,

芯城品牌采购网

9186

功率放大器基于压电主动传感技术健康监测方法中的的应用-芯城品牌采购网

实验名称:功率放大器基于压电主动传感技术健康监测方法中的的应用实验目的:验证压电陶瓷传感器的时间反演法能够有效地对螺栓球节点连接区的连接状态和受力状态进行监测。实验设备:功率放大器ATA-2022H,压电陶瓷,螺栓球,套筒,数据采集卡,电脑。实验内容:本实验将利用压电陶瓷传感器,通过模型试验,对基于时间反演技术的螺栓球节点连接区健康状态监测方法进行验,时间反演聚焦信号的峰值只与该信号在结构上传递时

芯城品牌采购网

9289

IGBT的原理作用、参数选型和注意事项-芯城品牌采购网

目前IGBT的主要销售品牌有,飞兆(又名仙童快捷)三菱、富士、东芝、三社、三垦、西门康、英飞凌.IGBT是绝缘栅双极型晶体管(isolatedgatebipolartransistor),它是八十年代初诞生,九十年代迅速发展起来的新型复合电力电子器件。igbt将mosfet与gtr的优点集于一身,既有输入阻抗高、速度快、热稳定性好、电压驱动型,又具有通态压降低、高电压、大电流的优点。西门康三肯英飞

芯城品牌采购网

8899

XILINXFPGA和ADI合作的八大领域-芯城品牌采购网

从消费类电子到工业、电信基础架构设备,现场可编程门阵列(fpga)与连接外面世界的模拟及混合信号ic如影随形,通过可编程功能集成为系统提供增值设计。当系统中需要多个关键元件实现数据采集和处理功能时,您可以考虑是否选择fpga更实惠。那么,如何确定哪些器件最适合您的应用,而且它们之间的协同工作能力更强呢?xilinx和ADI提供了一个最佳模式,帮助您成功完成产品开发。在过去的二十五年里,xilinx

芯城品牌采购网

10183

STM32MCU如何通过ADC模拟来实现看门狗掉电保存-芯城品牌采购网

STM32系列MCU单片机芯片很多时候我们需要将程序中的一些参数、数据等存储在EEPROM或者Flash中,达到掉电保存的目的。但有些情况下,程序需要频繁的修改这些参数,如果每次修改参数都进行一次保存,那将大大降低存储器的寿命。尤其是单片机内部Flash,以STM32F030K6T6为例的MCU芯片,擦写寿命只有1000次。当然,这是最小值,实际可能比这个多,但也是有风险。因此,最好的办法就是在程

芯城品牌采购网

10420

TI德州仪器半导体分享:突破功率器件密度障碍的3种方法-芯城品牌采购网

几乎每个应用中的半导体数量都在成倍增加,电子工程师面临的诸多设计挑战都归结于需要更高的功率密度。例如下面这几类应用:超大规模数据中心:机架式服务器工作使用的功率让人难以置信,这让公用事业公司和电力工程师难以跟上不断增长的电力需求。电动汽车:从内燃机到800V电池包的过渡会导致动力总成的半导体组件数量呈指数增加。商业和家庭安防应用:随着可视门铃和互联网协议摄像头变得越来越普遍,它们的尺寸越来越小,这

芯城品牌采购网

9748

FPGA编程的三大知识点-芯城品牌采购网

虽然FPGA可使用Verilog或VHDL等低层次硬件描述语言(HDL)来编程,但现在已有多种高层次综合(HLS)工具可以采用以C/C++之类的更高层次的语言编写的算法描述,并将其转换为Verilog或VHDL等低层次的硬件描述语言。随后,下游工具即可对转换后的语言进行处理,以便对FPGA芯片器件进行编程。此类流程的主要优势在于,您可使用诸如C/C++等编程语言来编写高效代码,而后将代码转换为硬件

芯城品牌采购网

9204

安森美带您了解碳化硅(SiC)半导体-芯城品牌采购网

碳化硅半导体制造建立在现有的生产方法之上,但需要全新的工艺,用来提高产量和降低成本,保证在生产过程中每个阶段的最高质量。让安森美(ONSemiconductor)碳化硅(SiC)从工艺制造技术的角度,带您走近碳化硅。工业和汽车是中功率和大功率电子元器件的两个大市场。随着诸如IGBT的现有技术与碳化硅(SiC)和氮化镓(GaN)等技术相结合,工业、汽车和其他电气化趋势正在重塑其应用的领域,借助这种趋

芯城品牌采购网

10475

TI教你解决MCU单片机800V电动汽车EV牵引逆变器常见设计挑战的三种方式-芯城品牌采购网

解决MCU单片机800V电动汽车EV牵引逆变器常见设计挑战的三种方式在电动汽车(EV)牵引逆变器是电动汽车的核心。它将高压电池的直流电转换为多相(通常为三相)交流电以驱动牵引电机,并控制制动产生的能量再生。电动汽车电子产品正在从400V转向800V架构,这有望实现:快速充电–在相同的电流下提供双倍的功率。通过利用碳化硅(SiC)提高效率和功率密度。通过使用更细的电缆减少相同额定功率下800V电压所

芯城品牌采购网

10556

一文搞懂I2S通信总线的工作原理-芯城品牌采购网

今天我们来讨论I2C通信总线,这篇文章将说说I2C的变体:I2S通信总线I2C和I2S都是飞利浦半导体发布的串行总线(2006年迁移到NXP恩智浦)I2S是在I2C之后发布的,I2S是为传输音频数据而设计的。I2S(Inter-ICSound)总线,也称为集成电路内置音频总线,是飞利浦半导体公司开发的用于数字音频设备之间音频数据传输的总线标准。采用独立有线传输时钟和数据信号的设计,通过将数据和时钟

芯城品牌采购网

9266

两种传导噪声的对比了解-芯城品牌采购网

差模(常模)噪声与共模噪声传导噪声可分为两种。一种是“差模噪声”,也称为“常模噪声”。这两种称呼有时可根据条件区分使用,不过在本文中作为相同的名词处理。另一种是“共模噪声”。来看下图。本文是围绕电源展开介绍的,因此图例是将带有电路的印刷电路板(PCB)装在壳体中,并由外部给电的示例图。差模噪声产生在电源线之间,是噪声源对于电源线串联进入,噪声电流与电源电流方向相同。由于往返方向相反而被称为“差模(

芯城品牌采购网

8218

电源布局,电源设计成功的重要一环-芯城品牌采购网

在成功的电源设计中,电源布局是其中重要的一个环节。但是,在如何做到这一点方面,每个人都有自己的观点和理由。事实是,很多不同的解决方案都是殊途同归;如果设计不是真的一团糟,多数电源都是可以正常工作的。当然,这其中也有一些通用性规则,例如:不要在快速切换信号中运行敏感信号。换言之,不要在开关节点下运行反馈跟踪。确保功率载荷跟踪和接地层大小足以支持当前的电流。尽量保持至少一个连续的接地层。使用足够的通孔

芯城品牌采购网

8527

基于MSP430F149和步进电机实现三自由度模拟实验台的设计-芯城品牌采购网

引言三自由度飞机飞行姿态模拟实验台是集机械技术、控制技术和传感器检测技术、计算机技术于一体的综合性测试设备。它作为一种空间运动机构是飞机进行动态性能测试的关键设备,主要用于模拟飞机的运动姿态,为飞机提供一个非常接近实际的模拟环境,在模拟条件下对飞机的飞行姿态进行实验研究和性能考察,在国防和民用中都有很高的应用价值。本文基于MSP430控制核心设计了一种三自由度模拟实验台,并完成了给定的任务要求。1

芯城品牌采购网

8538

熔断电阻器的分类和熔断特性详细-芯城品牌采购网

熔断电阻器只是电阻器众多种类中的一种而已,是一种双功能元件,在正常情况下具有电阻的特性,但是当电路出现故障时,超过了额定功率,会在一定时间内熔断开路,所以说熔断电阻器具有电阻和熔断特性。以下对熔断电阻器的分类和熔断特性进行详细的分析:一、分类:1.按工作方式种类可分为:按照熔断电阻器熔断后能否修复,可分为可修复型和不可修复型两种-可修复型熔断电阻器:在它的一端使用低熔点焊料焊有一根金属丝或者是金属

芯城品牌采购网

7740

如何解决AC到DC线路驱动器问题-芯城品牌采购网

LED应用需要直流电才能运行。然后,本文将介绍一些当前的AC到DC线路驱动器问题,以及制造商如何解决该问题以便为LED提供DC电源。背景操作LED系统的最简单方法是拥有随时可用的DC电源,例如可用来驱动电流的电池。使用电池作为直流电源的优点是可以设计相对简单的电路,该电路可以根据所使用的LED的特定电压在相对安全的电压下进行操作。今天部署的许多分立照明类LED的标称电压约为3VDC,可以串联,并联

芯城品牌采购网

9156

圣邦微超快瞬态响应的同步降压转换器SGM61012/SGM61022-芯城品牌采购网

为了适应电池供电及功耗敏感型系统的应用,SGM61012/SGM61022可选取深睡模式从而有效降低系统待机功耗。将MODE逻辑置为“高”,芯片在极轻载或空载时自动进入深睡模式(DeepSleepMode),典型静态工作电流为9μA。置MODE为逻辑低,进入节能模式(Power-SaveMode),典型静态工作电流为25μA。即使在深睡模式中,SGM61012/SGM61022依然拥有超快瞬态响应

芯城品牌采购网

8296

基于TMS320F206和RC56D芯片实现同步通信终端的设计-芯城品牌采购网

1引言异步通信和同步通信是两种不同的通信方式。异步通信采用字符起止同步技术,前后字符的间隔没有严格要求,发送端在发送的每个字符前加上起始位,字符后加上停止位,接收端据此完成传输字符的接收。双方毋需同步时钟,因而通信设备和控制手段相对简单。同步通信是一种比特同步通信技术,要求发收双方具有同频同相的同步时钟信号,只需在传送报文的最前面附加特定的同步字符,使发收双方建立同步,此后便在同步时钟的控制下逐位

芯城品牌采购网

8238

PDIUSBD12芯片的性能特点及实现应用设计-芯城品牌采购网

1PDIUSBD12芯片的性能与特点Philps公司生产的型号为PDIUSBD12的接口芯片是一个具有集成的SIE,FIFO存储器、发送器和电压调整器的高性能USB接口芯片,同时还支持DMA逻辑传输形式。他通常应用于基于微控制器的系统中,并且可以通过高速的并行接口和系统中的微处理器进行通信,其中最高并行接口速率可以达到2MB/s,是一个具有8位数据总线和一个地址的存储与数据交换设备。PDIUSBD

芯城品牌采购网

8817

基于TC35T调制解调器和P87LPC767单片机实现短消息监控系统的设计-芯城品牌采购网

1引言近年来,随着移动通信事业的迅速发展,作为移动网的延伸和完善设备--直放站得到了迅速应用,直放站的位置常常处于偏僻的农村和山区,因此,维护很不方便,为了及时了解直放站的工作状态,开发了直放站监控系统。该系统的主要功能包括对直放站供电电源及射频输出功率等进行无线监控,以实现直放站系统无人值守时的故障告警以及控制等功能。直放站监控系统的基本原理是利用GSM无线蜂窝网络的广阔覆盖范围,借助于GSM网

芯城品牌采购网

9789

如何分析运放电路?-芯城品牌采购网

目前市场运放种类繁多,面对不同的使用条件和环境,是否都能选择一样的运放呢?没关系,这是很多电子工程师都会困惑的问题,接下来为你揭开运放选型的神秘面纱。一、该如何分析运放电路呢?在学习运放选型前,我们需要先来透测的学习运放电路的内部结构和原理,对于我们来说运算放大器是模拟电路中十分重要的元件,它能组成放大、加法、减法、转换等各种电路,我们可以运用运放的“虚短”和“虚断”来分析电路,然后应用欧姆定律等

芯城品牌采购网

7594

基于LPC2124芯片和GPRS网络实现终端系统程序的远程升级-芯城品牌采购网

引言用电现场监控终端是一种与多功能计量设备同步计量并全方位监控用电状况的智能化设备,在目前全国电力紧缺的情况下,起到了削峰填谷,提高电网运行效率的作用,尤其适合于对用电大户的用电监控。市场的需求和应用技术的成熟往往是矛盾的,用户总希望尽快用到功能完善、技术先进的产品,但从新技术到应用总有一个过程。这个过程的长短最大程度上决定了产品的市场前景,如果要好好把握市场,常常不得不一边开拓市场一边完善技术。

芯城品牌采购网

9528

浅谈6N139系列光耦合器的低电流输入电路-芯城品牌采购网

本文讨论了使用6N139系列光耦合器的低电流输入电路的想法。其中一些电路设计是信号检测,瞬态检测,矩阵和非负载线路接收。还介绍了6N139输出电路的示例以及计算方法。简介光耦合和LED技术的进步为我们提供了6N139。这种独特的光耦合器具有500µA的输入LED电流规格,打开了一些有趣的设计门。除了明显且广为人知的由CMOS电路直接驱动的能力外,6N139还可以考虑用于信号检测,瞬态检测,矩阵和非

芯城品牌采购网

9152

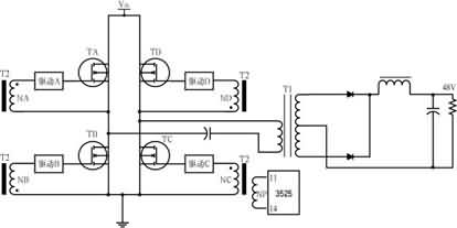
驱动变压器各绕组间的分布电容-芯城品牌采购网

实际电路都是由非理想元件组成的,在设计中可能会遇到许多预料不到的情况。在调试如图1所示的普通全桥电源时,输出不是料想中平稳的波形,而是不时发生间歇振荡,并发出“吱吱”声,有时甚至会烧毁开关管。对电路进行分析后未发现结构上可能导致不稳定的因素,于是改变输出采样的电压比,将输出调定在半电压24V上,使用90V的输入直流电压,在保证功率管安全的情况下进行调试。待电路工作正常后,再缓慢升高输入直流电压,经

芯城品牌采购网

8786

什么情况下应该从硅片转换到宽带隙技术?-芯城品牌采购网

自从宽带隙(WBG)器件诞生以来,为功率变换应用带来了一股令人激动的浪潮。但是,在什么情况下从硅片转换到宽带隙技术才有意义呢?迄今为止,屏蔽栅极MOSFET、超级结器件和IGBT等基于硅的功率器件已经很好地在业界得到大规模应用。这些器件在品质因数(FoM)方面不断改进,加上在拓扑架构和开关机理等方面的进步,使工程师能够实现更高的系统效率。工程师坚持继续使用硅片的最常见原因可能是在这方面拥有丰富的知

芯城品牌采购网

9100

基于MSP430F2012和IA4420的主动式RFID标签设计-芯城品牌采购网

射频识别(RFID)是近年来成长最快的无线技术之一,它将条形码及无线技术的优势带入资产管理、产品跟踪、海运及运输识别、库存控制和定位检测中。大多数RFID系统采用通过RF从阅读器获取电源的被动式标签。这样有利于减小标签尺寸和降低成本,但是会限制读取范围和数据存储能力。带电池的主动式标签可以提供较大范围的读取能力和更强的可靠性,不过其尺寸较大,也更贵一些。采用最新的低功耗单片机和无线数传芯片,设计一

芯城品牌采购网

7475

基于高性能ADC的都市基站设计方案-芯城品牌采购网

引言随着中国开始在人口密集的都市部署第三代(3G)无线业务,各种客观局限性驱使用户对高性能模数转换器(ADC)提出更多重要需求。高速ADC的应用多种多样,但低功耗是用户普遍要求的关键因素。要为用户的最终产品提供具有竞争性的优势,ADC需要在更低的功率和更小的尺寸基础上实现高分辨率、高速度和高性能。3G基础设施要求高速ADC在GSM、WCDMA和TD-SCDMA基站的接收(Rx)和发射(Tx)通路中

芯城品牌采购网

8933

基于MSP430F149和GPS+GPRS模块实现追踪器系统的软硬件设计-芯城品牌采购网

1、引言随着GPRS无线通讯、Internet网络以及民用领域GPS的普遍应用,将三者合一使用已成为当今热门的研究领域。GPRS(GeneralPackedRadioService,通用分组无线业务)采用TCP/IP协议,非常容易和现有的Internet技术及应用平台整合,即将各种IP技术和服务同移动通信技术相结合,为用户提供各种高速度、高质量的移动数据通信业务。GPRS的移动通信、价格低廉、快速

芯城品牌采购网

8929

关于MOSFET漏极驱动的ZCD(零电流检测)引脚-芯城品牌采购网

本应用笔记介绍了从MOSFET漏极驱动的ZCD(零电流检测)引脚。该文档描述了标准的ZCD配置及其替代和电阻器配置。CS1601采用ZCD(零电流检测)设计,当流过升压电感器的电流接近零时,该控制器便具有开启MOSFET的能力。这也可以描述为谷/零交叉切换。这是通过在PFC扼流圈上添加检测绕组来检测电流来实现的。如果由于设计或制造方面的限制而在升压电感器上添加辅助绕组成为问题,那么下面将介绍实现此

芯城品牌采购网

9397

基于霍尔效应传感器的电机速度控制方案-芯城品牌采购网

霍尔效应传感器响应于磁场而改变其输出电压。霍尔效应器件用作接近传感器,并用于定位,速度和电流检测。它们被广泛用于电机控制系统。霍尔效应传感器是一种长期解决方案,因为没有机械零件会随着时间的流逝而磨损。集成的软件包减少了系统的大小和实现的相对复杂性。借助可用于计算位置,速度和电流感测的多种技术解决方案,设计人员可以选择最佳选项来实现其目标。设计决策中的关键要素包括成本,分辨率,精度,可靠性和上市时间

芯城品牌采购网

8672

基于MSP430F169的多路电阻测量系统设计-芯城品牌采购网

0引言在实际工作中,对于多路电阻进行测量,一般采用直接测量法人工操作进行,虽然这种方法很成熟,但所用的配套设备较多,测量数据手工纪录、人工计算,操作繁琐、效率较低,事后的数据处理及出具测量报告既费时又费力,易出现人为因素造成的错判、漏判等,难以保证测量质量,影响了科研、实验生产任务的顺利进行。针对这些问题本文设计了一种基于MSP430单片机的电阻多路测量系统,系统采用2个MSP430F169单片机

芯城品牌采购网

8709

一种基于新SOC技术的简单8LED灯序设计-芯城品牌采购网

LED技术越来越多的应用到我们的生活中,对于开发者来说,通过片上系统(SOC)平台实现LED或其他设备次序器,从而找到一种减少成本、降低设计难度的设计需求变得越来越普遍。SOC器件通过单芯片集成了完整LED子系统所需的单片机功能和各种数字外围设备。本文介绍了一种基于新SOC技术的简单的8LED灯序。在这个设计中精彩的部分就是无需进行干预。不是采用传统的由单片机处理器干预的被动的数字外设,此设计完全

芯城品牌采购网

10658

图解整流电路中二极管的工作原理-芯城品牌采购网

二极管整流是利用了它具有单向导电性,也就是电流只能从正极流向负极,而不能从负极流向正极。只有在二极管两端加正向电压并且大于一定值时,二极管才会导通,导通后二极管的电阻很小,相当于一根导线。而在二极管两端加反向电压时,二极管因为内部PN结的关系,反向电流很小,可以忽略不计,可以看做是截止状态。如下图,是一个利用二极管半波整流的电路。图中220V50HZ交流电经过变压器变压输出U2,U2也是一个正弦交

芯城品牌采购网

10303

MOS管驱动电路有几种,看完就明白了-芯城品牌采购网

MOS管因为其导通内阻低,开关速度快,因此被广泛应用在开关电源上。而用好一个MOS管,其驱动电路的设计就很关键。下面分享几种常用的驱动电路。1、电源IC直接驱动电源IC直接驱动是最简单的驱动方式,应该注意几个参数以及这些参数的影响。①查看电源IC手册的最大驱动峰值电流,因为不同芯片,驱动能力很多时候是不一样的。②了解MOS管的寄生电容,如图C1、C2的值,这个寄生电容越小越好。如果C1、C2的值比

芯城品牌采购网

8171

交流耦合TIA拒绝明亮的环境光源-芯城品牌采购网

由于其简单性和低成本,绿色LED照明的心跳传感器现在几乎无处不在,在大多数消费者健康产品以及许多手机和手表中都能找到。但是,尽管它们具有所有优势,但我观察到它们经常受到环境因素的影响,这些因素会降低它们的准确性,在某些情况下,它们甚至根本无法进行测量。这些因素包括对手指放置的敏感性、LED光源与传感器之间距离的变化以及环境光侵入。这促使我考虑制造一个交流耦合跨阻放大器(TIA),它对明亮的环境光(

芯城品牌采购网

9549

图文并茂详解共模电感-芯城品牌采购网

差模电流:在一对差分信号线上,大小相同,方向相反的一对信号,一般是电路中的工作电流,对于信号线就是信号线与信号地线之间流动的电流。共模电流:在一对差分信号线上,大小相同,方向相同的一对信号(或噪音)。在电路中,一般对地噪音一般都是以共模电流的方式传输的,所以又称为共模噪声。抑制共模噪声的方法多种多样,除了从源头去减少共模噪声外,通常我们抑制最常用的方法就是使用共模电感来滤除共模噪声,也就是将共模噪

芯城品牌采购网

8491

A/D转换器所需的PCB布线策略-芯城品牌采购网

模数(A/D)转换器起源于模拟范例,其中物理硅的大部分是模拟。随着新的设计拓扑学发展,此范例演变为,在低速A/D转换器中数字占主要部分。尽管A/D转换器片内由模拟占主导转变为由数字占主导,PCB的布线准则却没有改变。当布线设计人员设计混合信号电路时,为实现有效布线,仍需要关键的布线知识。本文将以逐次逼近型A/D转换器和∑-△型A/D转换器为例,探讨A/D转换器所需的PCB布线策略。图1.12位CM

芯城品牌采购网

9779

开关电源噪声对策的几个步骤-芯城品牌采购网

从本文开始进入新篇章“噪声对策”。这里所说的“噪声对策”是指针对“开关电源”噪声的对策。不过基础部分和思路与一般噪声是相通的。新篇章的第1篇将介绍“噪声对策的步骤”。噪声对策和产品开发阶段在介绍噪声对策步骤之前,先来了解一下从产品的设计/开发到量产的过程中,应该在哪些阶段采取噪声对策。右图是相对于设计/开发、评估、量产的时间轴,采取噪声对策的灵活性(即可以采取的对策的选项多少)以及对策所需成本的示

芯城品牌采购网

9007

STM32单片机的启动过程-芯城品牌采购网

分享这篇文章,谈一下STM32启动流程。如果读者朋友已经有过汇编相关基础,能够够好理解本文内容。汇编语言是比C语言更接近机器底层的编程语言,能让我们更好的理解和操纵硬件底层。STM32三种启动模式下好程序后,重启芯片时,SYSCLK的第4个上升沿,BOOT引脚的值将被锁存,这就是所谓的启动过程。STM32上电或者复位后,代码区始终从0x00000000开始,其实就是将存储空间的地址映射到0x000

芯城品牌采购网

8424

分频器产生的455kHz方波信号-芯城品牌采购网

这里的电路是我在开发RF系统时设计的带有不寻常分频器的振荡器。我需要使用尽可能少的组件的稳定且准确的455kHz数字信号发生器。信号发生器还必须具有或非常接近50%的占空比,以消除或小化二次谐波含量。我首先研究了基于455kHz陶瓷谐振器和455kHz陶瓷滤波器的振荡器。然而,在测试时,我获得了448kHz和462kHz的信号,这缺乏我需要的。但我手头有一个4.096MHz的石英晶体。通过使其以大

芯城品牌采购网

8042

基于MPC8245处理器和BCM56500芯片实现交换型路由器的设计-芯城品牌采购网

随着用户需求和网络技术的发展,高速率高端口密度的多层IP路由交换功能的应用已经越来越广泛了。由于实现三层以上路由功能的判据较为复杂,传统的路由器采用软件实现路由功能,由高性能的CPU同时实现控制平台和数据通道。自从三层交换的概念提出以来,主要的技术可以分为两类:路由型交换机和交换型路由器。路由型交换机通过各种技术来发现、建立和缓存路由捷径来实现路由加速功能。一般情况下路由型交换机不实现大型动态路由

芯城品牌采购网

9132

基于EPM7256AETC100-5实现CDMA2000BTS时钟同步的应用解决方案-芯城品牌采购网

1引言第三代移动通信体制(3G),能够提供从语音到数据的全方位业务[1,2]。CDMA2000的3G通信网络主要由核心网(CN),CDMA2000基站控制器(BSC)和基站收发系统(BTS)构成。一个BSC可以带若干基站,每个BTS可以带若干扇区载频,BTS通过Abis接口与BSC相连,BSC通过A1,A2,A5接口与移动交换中心(MSC)相连,而BSC与BSC之间采用A3、A7接口,BSC和BT

芯城品牌采购网

8558